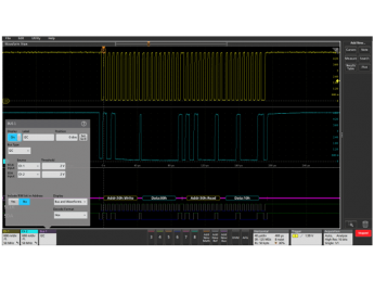
Tektronix 7-SRCPHY
Serial Decoding and Analysis
pour MIPI C-PHY CSI/DSI (Version 2.0/1.1/1.0)
prix sur demande

