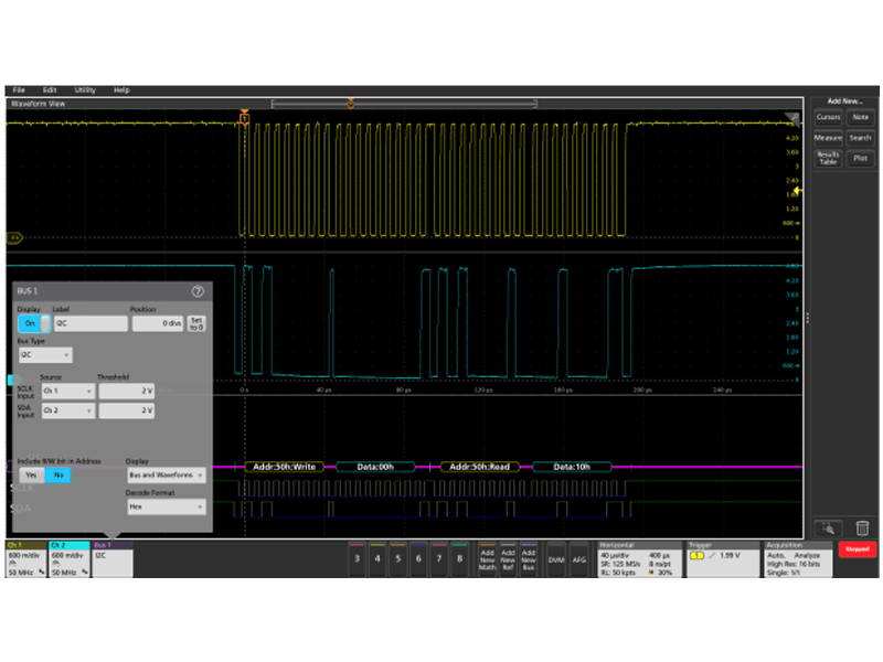
Tektronix 7-SRCXPI
Serial Decoding and Analysis for CXPI
Clock Extension Peripheral Interface
prix sur demande

