Tektronix 5-SRCXPI
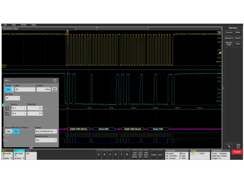
Serielle Dekodierung und Analyse für CXPI
Clock Extension Peripheral Interface
4'170.00 CHF
(4'507.75 CHF inkl. MwSt.)

