Tektronix 6-SRCXPI
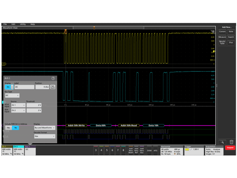
Serielle Dekodierung und Analyse für CXPI
Clock Extension Peripheral Interface
Preis auf Anfrage

