Tektronix 4-SRESPI
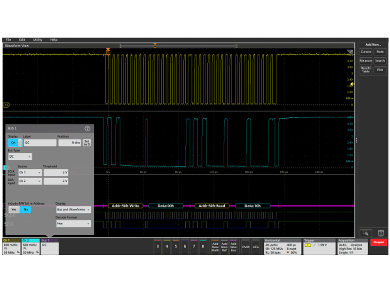
Serial Decoding and Analysis for eSPI
Enhanced Serial Peripheral Interface
2'730.00 CHF
(2'951.15 CHF incl. tax)

