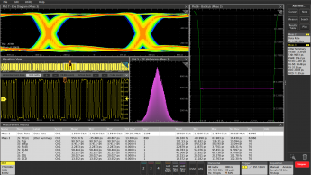
Based on the industry-standard Tektronix DPOJET eye-diagram, jitter, noise, and timing analysis package, the Advanced Jitter and Eye Diagram Analysis option provides the highest sensitivity and accuracy available in real-time instruments. Unlike competitive jitter analysis applications, this application integrates the comprehensive jitter and eye-diagram analysis into the oscilloscope's automatic measurement system user interface. The automatic measurements, measurement plots, and advanced jitter decomposition algorithms simplify discovering signal integrity concerns and jitter and their related sources in today's high-speed serial, digital, and communication system designs.

